
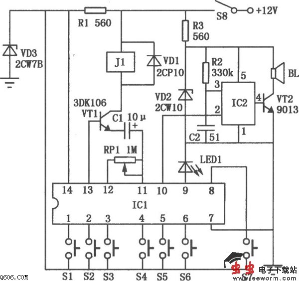
汽车电子密码锁的电路原理如图。ICl为专用密码锁集成电路5G058,它的1~6脚分别外接按键开关到电源正极,这是6个有效输入键,开锁必须遵照Sl~S6这一顺序;8脚所接按键开关S7是假键输入端,可以随意接一个或几个按键混插在键盘中以假乱真;9脚是按键指示端,每个按键连通期间都会使外接发光二极管LEDl发光,确认该键输入为有效;10脚是报警输出端,如果不是按Sl~S6顺序输入或超过有效开锁时间,则输出高电平,触发IC2防盗报警语言.有效开锁时间由电容C1与电位器RPl的大小来决定。
觉得这篇文章有帮助吗?