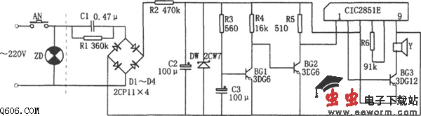
当打开电冰箱门时,开关AN接通,电容器C3通过R3进行充电,随着充电进行,BG1的基极电位升高,大约延时20分钟后,C3上电压使BG1导通,BG2截止,相应触发CIC2851E工作,其输出的音乐信号经BG3放大后驱动扬声器Y发出“铃儿响叮簹……”的乐曲,以提醒主人快速关门。电冰箱门不关,则乐曲声不止。延时的长短可根据存取食物的时间进行选取,一般在5~15秒之间。本电路取20秒。

电路中要求DW两端电压约为3V,若过高,则易损坏集成电路。电阻R6用以调整音乐节奏的快慢,其取值范围为20kΩ≤R6≤120kΩ。
觉得这篇文章有帮助吗?