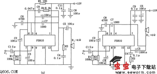
如图所示为FS810集成功率放大器的实用电路。FS810是性能优良的集成功率放大器,适用于高档收录机和音响设备。
图(a)扬声器接于输出电容C5和地之间,8脚和地之间接100kΩ电阻构成交流反馈支路。为使低音丰富,另加了C(0.047μF)、R4(8.2kΩ)支路,接于6脚和12脚之间,作为低音提升网络。C10、R5为自举网络,R3、R4为电抗校正网络,用于消除扬声器的感抗分量。
图(b)将扬声器接于输出端电容C5的正极和电源正极之间,输出电容C5和喇叭阻抗兼作自举网络元件,因此元件少、电路简单,但扬声器必须悬浮不接地。
<script language="JavaScript"> function resizeImage(evt,obj){ newX=evt.x; newY=evt.y; obj.width=newX; obj.height=newY; } </script>

觉得这篇文章有帮助吗?