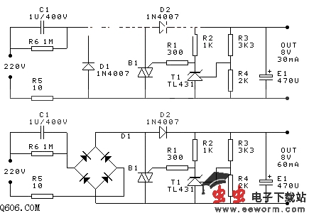
该电源可以短路. 如果能保证电容C1接在火线上,可以用手摸,本来这个电源是给人不接触的小电器提供的,只要无极性电容C1耐压够,长期使用没问题,从原理上讲,这是一个输入电压为220V的并联稳压电路,电压降在C1上,如果输出电流要大,可以增大C1的容量,我曾经增大到2UF,可以正常使用.也试验过4UF,在拔插插头时,火花太大,就没再使用. 我用的是图1,可控硅和431都没损坏,实际上由于E1是C1的470倍,即使在接通的瞬间是交流的峰值300多伏,在E1上也不会有高压. 功率很好计算,1UF的电容,对50HZ的容抗是3.15k,输出电流估算:200V/3000欧姆,电流约60MA,如果半波整流,电流只有一半.约30MA 。

觉得这篇文章有帮助吗?