⭐ 欢迎来到虫虫下载站!
|
📦 资源下载
📁 资源专辑
ℹ️ 关于我们
⭐ 虫虫下载站
🔐
登录
📝
注册
虫虫下载站
专业电子工程师资源平台
📤 上传资源
🏠 首页
📦 资源下载
📁 资源专辑
🔧 热门软件
⭐ 精品资源
🎓 基础知识
📐 电路图
📚 电子书
🔢 在线计算器
🔍 代码搜索
🏠 首页
›
电路图
›
基础电路
›
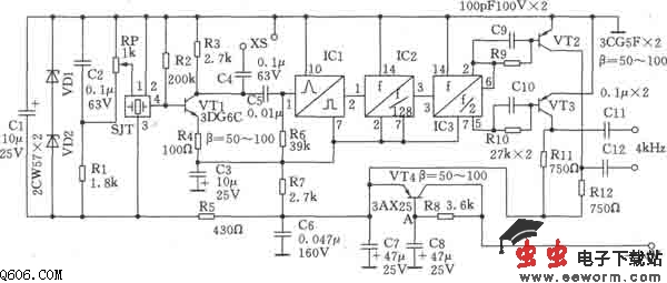
1024kHz与4kHz方波输出电路图
1024kHz与4kHz方波输出电路图
📅 发布时间:
2013-09-16 05:50
👁️ 浏览:
0
🏷️ 标签:
1024
4kHz
kHz
方波
本电路SJT为1024kHz温补型晶体振荡器。电路原理如图所示。电路由于其输出信号电平低,故后续三极管VTl作缓冲放大。VTl的基极偏置电阻R2、负载电阻R3、射极电阻R4为负反馈电阻,用以稳定VTl的直流工作点。稳压二极管VDl、VD2,电容Cl组成稳压、滤波电路,用以降低电源电压的波动对晶振SJT的频率影响。电阻Rl和电位器RP提供给温补晶振偏置电压,调节RP可微调晶振在精确频率上。
觉得这篇文章有帮助吗?
👍 来顶一下 (
34
)
🔐 用户登录
×
加载中...
加载登录表单中...
🎁
免费注册送10积分
×
加载中...
加载注册表单中...
🔑 找回密码
×
加载中...
加载表单中...
🔐
需要登录
×
🔒
登录后即可使用!
🎁
新用户注册立即送10积分
积分可用于下载资源,免费获取优质技术资料
🚪
退出登录
×
👋
确认要退出登录吗?
退出后需要重新登录才能下载资源