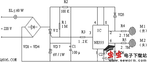
如图所示是双键触摸式照明灯电路图,本电路图使用两个触摸电极片,分别代替在实际生活中的开和关控制。
一、电路工作原理
双触摸式照明开关电路如图所示。
VS与VD7构成了开关回路。当人触摸到M1(开)电极片时,人体通过R4、VD5整流后给IC NE555集成电路的2脚一个低电平信号(此时IC NE555集成电路接为RS触发器),输出脚3输出高电平,通过R3后触发VS的门极,VS导通,电灯点亮。
当人触摸到M2(关)电极片时,人体通过R5、VD6整流后给IC NE555集成电路的6脚一个低电平信号,输出脚3输出低电平,R1提供的正向触发电压被R3通过集成电路的3脚对地短路,VS失去触发电压,当交流过零时即关断,电灯熄灭。
二、元器件选择
IC选用NE 555型集成电路;VS选用2N6565型普通塑封小型单向晶闸管;VD1~VD4选图1 双键触摸式照明灯电路图用IN4007硅整流二极管;VD7选用6.2V、1W的2CW105硅稳压二极管;VD6、VD7选用IN4148型硅开关二极管;R1~R5均选用RTX—1/8W型碳膜电阻器;C1选用CD11—16V型电解电容;C2选用C'I'I型瓷介电容器。

三、制作与调试方法
本电路结构简单、使用方便,只要焊接正确,选用元件正确都能正常工作。由于本电路负载的能力受到稳压管VD7的限制,所以负载的功率不宜大于60W。
觉得这篇文章有帮助吗?