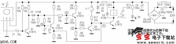
IR为红外线遥控接收头,未接收到红外线信号时,①脚输出高电平,接收到红外线信号时,①脚输出一连串低电平脉冲。R4、C2与R7、C3组成两个积分电路,Q4、Q5、J组成继电器控制电路,C5、D5~D8组成交流降压整流电路。平时待机或上电后的初始状态是:Q1导通,Q2截止,Q5截止,继电器J不工作。

遥控开机过程:
短按遥控器按钮(小于0.5秒),在这较短的时间内,因C3容量远大于C2,故B点电位很快升到高电位(约1V左右),而A点电位上升不到0.6V,因此Q3不能导通,只有Q2导通,这样,C点为高电位,Q5导通,继电器J动作,其接点J-1、J-2同时吸合,J-2接通电器电源。这时即使IR不再收到信号,因电源经R11向Q5提供偏置,故Q5保持导通,J仍继续吸合,达到短按遥控钮实现开机的目的。
遥控关机过程:
长按遥控器按钮(3秒以上)时,IR输出低电平脉冲使Q1输出高电平脉冲,经D1整流后送至A点、B点进行积分处理,最终使A点电位大于1V(实测为1.3V左右),Q3导通,D点为高电平,Q4导通,C点为低电平,致使Q5截止,J释放,J-1、J-2断开,达到长按遥控钮实现关机的目的。松开遥控钮后,IR不再收到红外线信号,C2、C3放电,Q2、Q3截止,电路又进入等待状态。只有再次短按遥控器按钮,电路才会重新动作,重复遥控开机的过程。
觉得这篇文章有帮助吗?