⭐ 欢迎来到虫虫下载站!
|
📦 资源下载
📁 资源专辑
ℹ️ 关于我们
⭐ 虫虫下载站
🔐
登录
📝
注册
虫虫下载站
专业电子工程师资源平台
📤 上传资源
🏠 首页
📦 资源下载
📁 资源专辑
🔧 热门软件
⭐ 精品资源
🎓 基础知识
📐 电路图
📚 电子书
🔢 在线计算器
🔍 代码搜索
🏠 首页
›
电路图
›
基础电路
›
ugn-3501t传感器计数电路图
ugn-3501t传感器计数电路图
📅 发布时间:
2013-09-15 21:40
👁️ 浏览:
0
🏷️ 标签:
3501
ugn
传感器
计数电路
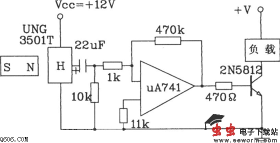
如图所示是ugn-3501t传感器计数电路图。由于UGN-3501T具有较高的灵敏度,它能感受很小磁场变化。因而检测黑色金属的有无。利用它的这一特性可制成计数装车。当钢球滚过霍尔传感器位置时,传感器输出一个峰值为20mV的脉冲,此脉冲信号经μA741运放放大后驱动2N5812三极管,使之完成导通、截止过程。把计数器接于2N5812输出端即可构成计数器。
觉得这篇文章有帮助吗?
👍 来顶一下 (
86
)
🔐 用户登录
×
加载中...
加载登录表单中...
🎁
免费注册送10积分
×
加载中...
加载注册表单中...
🔑 找回密码
×
加载中...
加载表单中...
🔐
需要登录
×
🔒
登录后即可使用!
🎁
新用户注册立即送10积分
积分可用于下载资源,免费获取优质技术资料
🚪
退出登录
×
👋
确认要退出登录吗?
退出后需要重新登录才能下载资源