⭐ 欢迎来到虫虫下载站!
|
📦 资源下载
📁 资源专辑
ℹ️ 关于我们
⭐ 虫虫下载站
🔐
登录
📝
注册
虫虫下载站
专业电子工程师资源平台
📤 上传资源
🏠 首页
📦 资源下载
📁 资源专辑
🔧 热门软件
⭐ 精品资源
🎓 基础知识
📐 电路图
📚 电子书
🔢 在线计算器
🔍 代码搜索
🏠 首页
›
电路图
›
基础电路
›
智能化超声波测距仪电路图
智能化超声波测距仪电路图
📅 发布时间:
2013-09-15 22:00
👁️ 浏览:
2
🏷️ 标签:
智能化
超声波测距仪
电路图
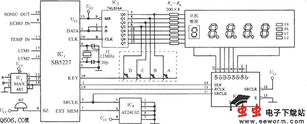
如图所示的是智能化超声波测距仪电路,由SB5227构成。图中省略了发送电路、接收电路及温度检测电路。图中使用了5片集成电路:IC1(SB5227AM或SB5227AS);IC2(8位并行输出的串行移位寄存器74LS164);IC3(带输出锁存的8位串行移位寄存器74LS595);IC4(基于I2C总线的2Kb E2PROM存储器AT24C02);IC5(RS-485总线驱动器 MAX485)。在AT24C02中存储着所设定的参数,当突然断电时可防止数据丢失。LED显示器由5位共阴极数码管构成,最高位(万位)用来显示从机地址(ADDR),其余4位显示测量值,亦可显示出距离的上、下限。LED显示器以动态扫描方式工作。
由显示驱动器输出的串行数据经过74LS164转换成并行输出的笔段信号,依次通过限流电阻R1~R8接数码管的相应电极(笔段a~g和小数点DP)。74LS595则构成位选通器。举例说明,当扫到千位时,Ql=0(低电平),千位数码管即显示数据,而此时个、十、百位的数码管均消隐,依次类推。晶振电路中包含12MHz石英晶体,振荡电容C1、C2和内部反相器。
觉得这篇文章有帮助吗?
👍 来顶一下 (
46
)
🔐 用户登录
×
加载中...
加载登录表单中...
🎁
免费注册送10积分
×
加载中...
加载注册表单中...
🔑 找回密码
×
加载中...
加载表单中...
🔐
需要登录
×
🔒
登录后即可使用!
🎁
新用户注册立即送10积分
积分可用于下载资源,免费获取优质技术资料
🚪
退出登录
×
👋
确认要退出登录吗?
退出后需要重新登录才能下载资源