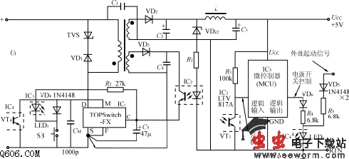
如图所示是由MCU控制的TOPSwitchFZ单片开关电源电路图。
利用微控制器可对由TOPSwitchFX构成的喷墨打印机、激光打印机等计算机外部设备中的开关电源进行控制,电路如图所示。开关电源部分主要由TOPSwitchFX(IC1)、光耦合器(IC2)组成。控制电路则包括微控制器(MCU)、两片LTV817A线性光耦合器(IC3、IC4)、按钮开关SB。仅当按下SB时产生的信号才有效,抬起时信号不起作用。SB上不需要加防抖动电路,这是因为开关电源的软起动时间(约10ms)和MCU的复位及初始化时间能起到延迟作用,可以避开按下SB时产生抖动干扰的时间;并且仅当开关被按下至少达到上述时间,才能通过MCU接通开关电源。这就要求必须将SB按到底,而不要轻轻点击一下,以确保电源起动。MCU完成复位及初始化后检测到IC3发来的开机信号,再通过IC4去锁定开关电源。光耦IC3、IC4中的LED发光管和光敏三极管,分别用LED3和VT3、LED4和VT4表示。现将LED3接在控制端与SB上端之间,VT3接在MCU的逻辑输入端。常态下LED3上无电流通过,IC3不工作。MCU的逻辑输出端经过隔离二极管VD6和电阻R4接LED4的正极。VT4则接在M、S端之间。因M端本身具有限流功能,故VT4不需要另加限流电阻。CM为多功能端的消噪电容。
当用户首次按下SB时,VD4导通,M端经VD4与S极接通,TOPSwitchFX即工作在三端模式,多功能端(M)和开关频率设定端(F)不起作用,此时LED3上有电流通过,VT3就给MCU发出起动信号。若最初开关电源是处于关断状态(M端悬空)则首次按下SB时就接通电源,+5V输出电压UCC为MCU提供工作电源电压。MCU接收到起动信号后就令VT4导通,使开关电源保持在接通状态,能够正常输出。当用户再次按下SB时就发出关断信号,MCU接收到信号后就执行关断程序,将喷墨打印机的打印头停在安全位置上。一旦执行完关断程序,MCU就令VT4截止,将M端悬空,开关电源进入关断模式,此时TOPSwitchFX处于低功耗状态,当UI=230VAC时芯片功耗仅为160mW。假如用作DVD中的开关电源时,关断程序还能把数据和设定状态一并存入E2PROM中,即使掉电后也不致于丢失。

觉得这篇文章有帮助吗?