⭐ 欢迎来到虫虫下载站!
|
📦 资源下载
📁 资源专辑
ℹ️ 关于我们
⭐ 虫虫下载站
🔐
登录
📝
注册
虫虫下载站
专业电子工程师资源平台
📤 上传资源
🏠 首页
📦 资源下载
📁 资源专辑
🔧 热门软件
⭐ 精品资源
🎓 基础知识
📐 电路图
📚 电子书
🔢 在线计算器
🔍 代码搜索
🏠 首页
›
电路图
›
基础电路
›
555公共汽车站途指示器电路图
555公共汽车站途指示器电路图
📅 发布时间:
2013-09-15 20:40
👁️ 浏览:
2
🏷️ 标签:
555
公共汽车
指示器
电路图
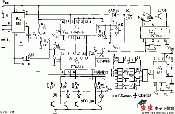
IC1(555)和Rt、Ct组成单稳定时电路,定时时间td1=1.1RtCt.当按下AN后,IC1输出的计时脉冲加至IC2,IC2为可预置4位二进制可逆计数器CD4516;IC3为4位锁存4-16线译码器。每进一站,按一次AN,则IC2、IC3进行加1(减1)计数,IC2的输出Q1~Q4进入译码器进行译码,再由译码输出经IC5延时电路反馈对IC3进行控制。
觉得这篇文章有帮助吗?
👍 来顶一下 (
96
)
🔐 用户登录
×
加载中...
加载登录表单中...
🎁
免费注册送10积分
×
加载中...
加载注册表单中...
🔑 找回密码
×
加载中...
加载表单中...
🔐
需要登录
×
🔒
登录后即可使用!
🎁
新用户注册立即送10积分
积分可用于下载资源,免费获取优质技术资料
🚪
退出登录
×
👋
确认要退出登录吗?
退出后需要重新登录才能下载资源