⭐ 欢迎来到虫虫下载站!
|
📦 资源下载
📁 资源专辑
ℹ️ 关于我们
⭐ 虫虫下载站
🔐
登录
📝
注册
虫虫下载站
专业电子工程师资源平台
📤 上传资源
🏠 首页
📦 资源下载
📁 资源专辑
🔧 热门软件
⭐ 精品资源
🎓 基础知识
📐 电路图
📚 电子书
🔢 在线计算器
🔍 代码搜索
🏠 首页
›
电路图
›
基础电路
›
积分路-精密整流器电路图
积分路-精密整流器电路图
📅 发布时间:
2013-09-15 19:50
👁️ 浏览:
0
🏷️ 标签:
积分路
电路图
精密整流器
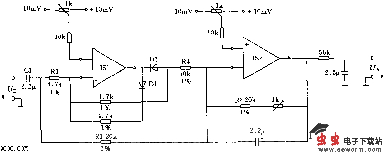
如图所示的是带有积分路的精密整流器电路,该电路可将输入的交变信号变换为直流信号。若输入信号频率很低,则输入端电容C1可以取消。在负半周时,运放IS1的输出端通过二极管D1(截止电压为0.7V)连接,并且经由二极管D2同相加点隔离。运放IS2作为反相电压跟随器工作。
在正半周时,IS1作反相放大器工作,并通过R2与相加点连接。在输入端,电阻R3与电阻R2构成负反馈回路。
觉得这篇文章有帮助吗?
👍 来顶一下 (
88
)
🔐 用户登录
×
加载中...
加载登录表单中...
🎁
免费注册送10积分
×
加载中...
加载注册表单中...
🔑 找回密码
×
加载中...
加载表单中...
🔐
需要登录
×
🔒
登录后即可使用!
🎁
新用户注册立即送10积分
积分可用于下载资源,免费获取优质技术资料
🚪
退出登录
×
👋
确认要退出登录吗?
退出后需要重新登录才能下载资源