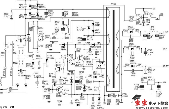
振荡过程
C708上约300V的直流电压,经R729、R731、L711加到开关管V720的B极,V720开始导通,C极电流增大,T705的(1)、(12)脚产生感应电动势,其极性为(1)正(12)负,正反馈绕组也产生(10)正(9)负的感应电压,此反馈电压经C713、V713、R713加到V720的B极,使V720的电流进一步增大,如此循环使V720迅速饱和。
V720饱和后,T705(1)、(12)脚绕组中电流线性增大,磁场能量储存在T705中。当V720的C极电流大于β×B极电流时,C极电流停止增长,T705中各绕组的感应电压极性全部翻转,正反馈的结果使V720迅速截止。
V720截止期间,V763、V765、V770均导通,建立115V、26V、16.5V三组电压,当T705中的磁场能释放完以后,维持V720截止的反馈电压也逐渐消失,V720又经R729、R731获得偏置电压而重新导通,开始又一次振荡。
开关管V720由导通转为截止的时刻取决于脉宽调制管V725、V726开始导通的时间,C714上的电压由V716整流得到,极性为下正上负,在V726导通期间,C714的下端经V726接地,上端的负电压经V715、V714加到开关管的B极,开关管立即截止,而V725、V726的导通状态受C742的充、放电影响。
开关管V720由截止转为导通的时刻,取决于T705中磁能的释放及(1)、(12)绕组与C710、C711的谐振情况。
稳压过程
稳压电路由V745及周边元件组成,T705的(7)、(8)绕组为取样绕组,经V741整流、C745滤波,C745上的电压反映了输出电压的大小,假如输出电压升高,则C745上的电压也升高,V745的C极电压升高,V725、V726提前导通,开关管提前截止,输出电压自动下降到110V。
保护电路
保护电路由V733、R734、V734等元件组成,V734为6.2V稳压管,正常情况下,R742两端的脉冲电压为3.5V左右,V734不能导通,保护电路不工作,一旦发生输出电压过高,则R742两端的脉冲电压也升高,当升高到大于6.2V时,V734导通,V733也导通,将C732的正端短路接地,开关脉冲全部让C732短路掉,开关电源停振。

待机时,CPU的POWER脚输出高电平,V760的E极也为高电平,光耦V741导通,V735也导通,将C732的正端短路接地,开关脉冲全部让C732短路掉,开关电源停振。开机时,CPU的POWER脚输出低电平,V760、光耦、V735均截止,该路对开关电源无影响。
觉得这篇文章有帮助吗?