555电容器筛选电路图

📅 发布时间:2013-09-15 12:00 👁️ 浏览:3 🏷️ 标签: 555 电容器 筛选 电路图
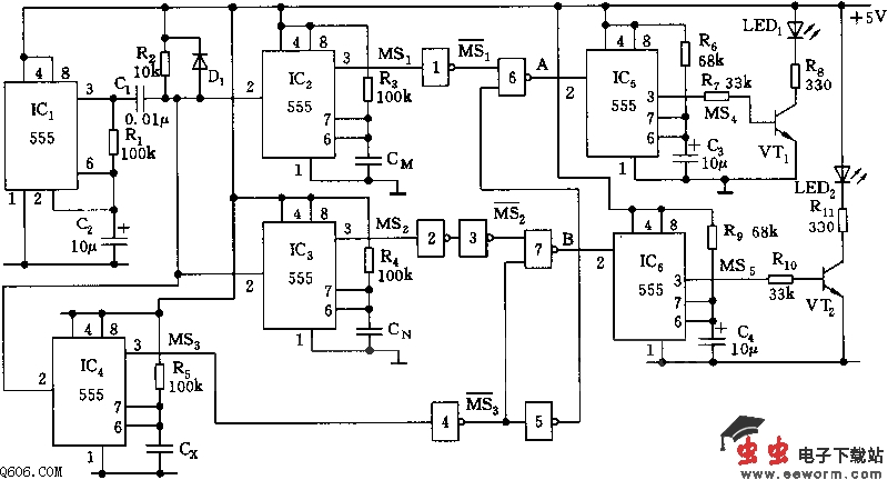
  电容器筛选原理是通过将与待测电容容量成正比的脉冲宽度与合格的标称电容的脉宽进行比较,进行检测筛选的。
  电路如图所示,IC1与R1、C2组成无稳态多谐振荡器,产生周期约为1.4秒的脉冲方波。以IC2、IC3、IC4为核心组成单稳触发电路,触发的定时脉宽取决于各自的充放电时间常数。Cx是待测电容,Cm、Cn是合格电容的上限和下限值电容。即Cm>Cx>Cn。IC2、IC3、IC4同受IC1输出的方波触发,产生各自不同的脉宽,在门电路中进行比较。然后触发IC5、IC6单稳态电路,若与非门6、7均不输出负向脉冲,则555不会被置位,3脚呈低电平,VT1、VT2截止,LED1、LED2均不发光,表明待测电容合格。若LED1发光闪烁,说明Cx大于Cm; 若LED2发光闪烁,说明Cx小于Cn,容量超限。IC5、IC6产生的单稳脉宽约为0.8秒。
觉得这篇文章有帮助吗?