555晶体管特性曲线描绘仪电路图

📅 发布时间:2013-09-15 07:20 👁️ 浏览:4 🏷️ 标签: 555 晶体管 特性曲线 电路图

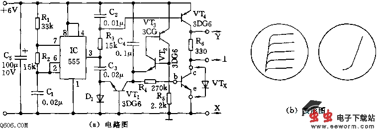
  如图所示是555晶体管特性曲线描绘仪电路,描绘晶体管特性,要有两种电压,一是加在b极上的阶梯波,用于产生不同的Ib,二是c极上的锯齿波,其周期与阶梯波相对应,以描绘出Ic-Vcc特性曲线。

  如图所示,555和R1、R2、C1组成无稳态多谐振荡器,振荡频率f=1.44(R1+2R2)C1.图示参数f=1100Hz。C2、R3组成积分电路,用以产生锯齿波,经VT4射随输出,加至示波器垂直“Y”输入及待测管的c极。C3、D1、VT1~VT3、C4等组成阶梯波产生器,每5个振荡周期,C4上的充电电压才使VT3导通,C4放电,形成5个阶梯。C4每充电一次,VT2射极电压降低一点,形成一个台阶。阶梯波通过R4加到待测管的b极上。待测管即为图中的VTx。接上示波器后观察到的I-V特性曲线如图b所示。

觉得这篇文章有帮助吗?