⭐ 欢迎来到虫虫下载站!
|
📦 资源下载
📁 资源专辑
ℹ️ 关于我们
⭐ 虫虫下载站
🔐
登录
📝
注册
虫虫下载站
专业电子工程师资源平台
📤 上传资源
🏠 首页
📦 资源下载
📁 资源专辑
🔧 热门软件
⭐ 精品资源
🎓 基础知识
📐 电路图
📚 电子书
🔢 在线计算器
🔍 代码搜索
🏠 首页
›
电路图
›
基础电路
›
实用AM-4伟感模块电路图
实用AM-4伟感模块电路图
📅 发布时间:
2013-09-15 06:20
👁️ 浏览:
4
🏷️ 标签:
模块
电路图
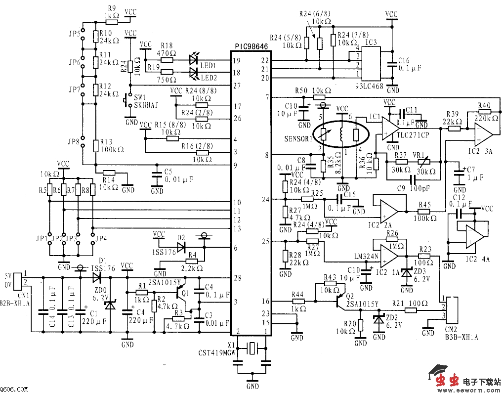
利用TGS4160传感器并通过高输入阻抗、低偏置电流的运放进行放大,再作一些简单的运算处理,就可以在CO2浓度为300~5000ppm的范围内测得信号,该信号为0~几百毫伏的电压信号,可以供高精度A/D采样使用。如果使用费加罗(FIGARO)公司提供的AM-4 CO2传感器模块,则可直接应用于自动通风换气系统或是CO2气体监测。该模块内部带有A/D转换器,并已对数据进行了采样并作了处理。它输出的电压信号与CO2浓度值呈线性关系,输出的电压信号为0~3.0V,相当于0~3000ppm的CO2浓度。另外,该模块还提供有中继转接控制信号。当CO2浓度高于设定值时,输出的转接控制信号为高电平5V,该信号可以使得红LED点亮;反之,它将转接控制信号为低电平0V以使绿LED点亮。但是,该模块的设定值是分档的,而不是连续可调的。共分为四档(可通过线路板上的跳线来实现),表1和表2分别给出了门限开关信号的浓度值及跳线连接方法。AM-4模块的实用电路原理图见下图所示。
觉得这篇文章有帮助吗?
👍 来顶一下 (
75
)
🔐 用户登录
×
加载中...
加载登录表单中...
🎁
免费注册送10积分
×
加载中...
加载注册表单中...
🔑 找回密码
×
加载中...
加载表单中...
🔐
需要登录
×
🔒
登录后即可使用!
🎁
新用户注册立即送10积分
积分可用于下载资源,免费获取优质技术资料
🚪
退出登录
×
👋
确认要退出登录吗?
退出后需要重新登录才能下载资源