彩电伴音电路(TDA2009 )

📅 发布时间:2013-09-15 07:00 👁️ 浏览:4 🏷️ 标签: 2009 TDA 彩电 伴音电路

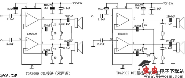
如图所示的是彩色电视机常用伴音电路(TDA2009)

1脚:1.2V——左声道输入

2脚:0.8V——左声道反馈

3脚:12V——静噪

4脚:0.8V——右声道反馈

5脚:1.2V——右声道输入

6脚:0V——地

7脚:0V——空

8脚:12.4V——右声道输出

9脚:24V——电源

10脚:12.4V——左声道输出

11脚:--

觉得这篇文章有帮助吗?