⭐ 欢迎来到虫虫下载站!
|
📦 资源下载
📁 资源专辑
ℹ️ 关于我们
⭐ 虫虫下载站
🔐
登录
📝
注册
虫虫下载站
专业电子工程师资源平台
📤 上传资源
🏠 首页
📦 资源下载
📁 资源专辑
🔧 热门软件
⭐ 精品资源
🎓 基础知识
📐 电路图
📚 电子书
🔢 在线计算器
🔍 代码搜索
🏠 首页
›
电路图
›
基础电路
›
555微型心脏除颤急救器电路图
555微型心脏除颤急救器电路图
📅 发布时间:
2013-09-15 01:30
👁️ 浏览:
10
🏷️ 标签:
555
电路图
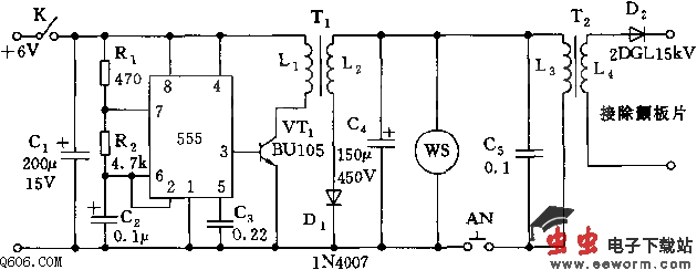
一般用于心律紊乱病人的除颤器,体积大、重量重、携带不便。本电路采用555电路,安全可靠、操作简便。
电路如图所示,555和R1、R2、C2组成无稳态多谐振荡器,f=1.44/(R1+2R2)C2,振荡频率约为3kHz左右。555的输出经VT1放大,变压器升压至100~200V,经D1整流后由大电容C4将能量储存。使用时,掀下AN,C4经T2的初级L3放电,则在次级L4感应出1000~7000V的高压,为心律紊乱病人去颤。
觉得这篇文章有帮助吗?
👍 来顶一下 (
57
)
🔐 用户登录
×
加载中...
加载登录表单中...
🎁
免费注册送10积分
×
加载中...
加载注册表单中...
🔑 找回密码
×
加载中...
加载表单中...
🔐
需要登录
×
🔒
登录后即可使用!
🎁
新用户注册立即送10积分
积分可用于下载资源,免费获取优质技术资料
🚪
退出登录
×
👋
确认要退出登录吗?
退出后需要重新登录才能下载资源