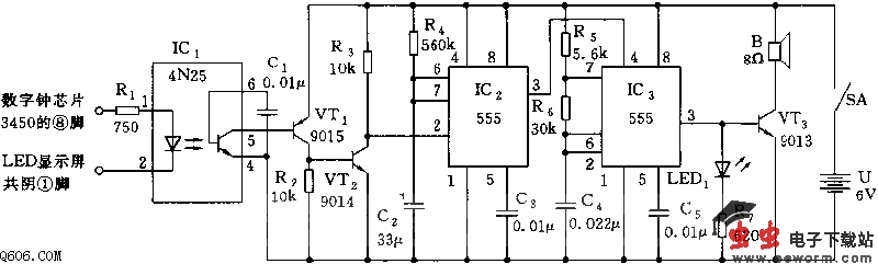
整点信号由数字钟十分位LED数码管的b段引出,当时间由59分钟进位到整点时,只有从该段才能引出从“0”变到“1”的正跳变信号。该信号经光电耦合器IC1,进行电→光→电信号转换,并起保护、隔离作用。在整点时刻跳变信号作用下,IC1内的光敏三极管呈低阻,VT1导通,VT2饱和导通,其CE极间的饱和压降只有0.3V左右,使IC2触发置位。
IC2采用时基电路555,它与R4、C2组成单稳态触发器,触发置位后,3脚转呈高电平,其高电平维持时间td=1.1R4C2,图示参数设计为20秒。

IC3也采用555集成电路,它与R5、R6、C4等组成一个可控振荡器。平时,由于IC2输出为低电平(<0.4V),使IC3处于强制复位状态。只有在整点时刻后的20秒内,IC2输出的高电平才使IC3解除复位状态,并进行音频振荡,频率fc=1.44/(R5+2R6)C4,图示参数为1000Hz左右(计算值998Hz)。IC3输出的振荡脉冲使发光二极管LED1闪烁发光,并经VT放大,驱动喇叭发声,提示伏案工作或学习的人注意休息,以免过度劳累。
觉得这篇文章有帮助吗?