一款常见车载逆变器电路及原理

📅 发布时间:2013-09-14 22:50 👁️ 浏览:3 🏷️ 标签: 车载逆变器 电路

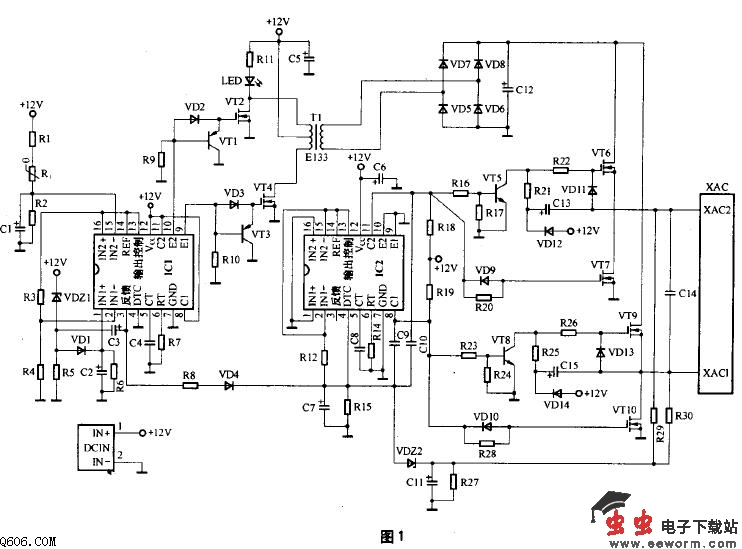
一款常见车载逆变器电路及工作原理

车载逆变器指标:

输入电压:DC  10V~14.5V;输出电压:AC  200V~220V±10%;输出频率:50Hz±5%;输出功率:70W~150W;转换效率:大于85%;逆变工作频率:30kHz~50kHz。
  目前市场上销售量最大、最常见的车载逆变器的输出功率为70W-150W,逆变器电路中主要采用TL494或KA7500芯片为主的脉宽调制电路。一款最常见的车载逆变器电路原理图见图1。

觉得这篇文章有帮助吗?