⭐ 欢迎来到虫虫下载站!
|
📦 资源下载
📁 资源专辑
ℹ️ 关于我们
⭐ 虫虫下载站
🔐
登录
📝
注册
虫虫下载站
专业电子工程师资源平台
📤 上传资源
🏠 首页
📦 资源下载
📁 资源专辑
🔧 热门软件
⭐ 精品资源
🎓 基础知识
📐 电路图
📚 电子书
🔢 在线计算器
🔍 代码搜索
🏠 首页
›
电路图
›
基础电路
›
GPl020的6信道相关器电路图
GPl020的6信道相关器电路图
📅 发布时间:
2013-09-14 21:20
👁️ 浏览:
9
🏷️ 标签:
GPl
020
信道
电路图
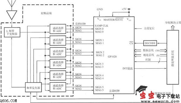
GPl020是一个6信道CMOS数字相关器,可以与GPl010 L1信道下变频器或其他集成电路组合,用来截获和跟踪GPS C/A码或GLONASS码。GPl020 6个信道中的每一个通道,都包括:独立的数字下变频到基带处理的电路、C/A代码发生器、相关器和累加转存寄存器。 GPl020通过一个16位数据总线与一个微处理器接口,使用不同的片上寄存器控制采集和跟踪过程。输入多路复用器适合多种GPS前端和GLONASS前端,允许天线有差异。电源电压5v,功耗小于500mW,采用120L MQFP封装,封装尺寸28mm×28mm×3.4mm,适合GPS或 GLONASS导航系统、高集成度的GPS接收机、GPS测量接收机、GPS时间基准等应用。
GPS接收机简化模块图
觉得这篇文章有帮助吗?
👍 来顶一下 (
72
)
🔐 用户登录
×
加载中...
加载登录表单中...
🎁
免费注册送10积分
×
加载中...
加载注册表单中...
🔑 找回密码
×
加载中...
加载表单中...
🔐
需要登录
×
🔒
登录后即可使用!
🎁
新用户注册立即送10积分
积分可用于下载资源,免费获取优质技术资料
🚪
退出登录
×
👋
确认要退出登录吗?
退出后需要重新登录才能下载资源