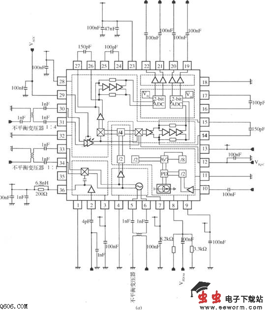
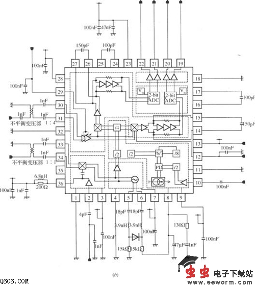
μPB1008K是一个单片的GPS接收机芯片,芯片内部集成有前置放大器、射频/中频下变频器、PLL频率合成器、双2 bit ADC等电路。
μPB1008K具有IQ恢复功能,在I通道和Q通道分别具有一个2 bit ADC。芯片内部具有固定分频率的前置分频器,VCO分频率为102(8、12.75串联前置分频器),基准分频率为2。通过增益控制引脚可以调节增益,电压上升增益下降。电源电压Vcc=2.7V~3.3V,工作电流消耗为Icc=18.0mA,低功耗模式Icc(PD)=10uA。芯片采用QFN-36封装。


觉得这篇文章有帮助吗?