⭐ 欢迎来到虫虫下载站!
|
📦 资源下载
📁 资源专辑
ℹ️ 关于我们
⭐ 虫虫下载站
🔐
登录
📝
注册
虫虫下载站
专业电子工程师资源平台
📤 上传资源
🏠 首页
📦 资源下载
📁 资源专辑
🔧 热门软件
⭐ 精品资源
🎓 基础知识
📐 电路图
📚 电子书
🔢 在线计算器
🔍 代码搜索
🏠 首页
›
电路图
›
基础电路
›
温度范围-10℃至20℃的温度调节器电路图
温度范围-10℃至20℃的温度调节器电路图
📅 发布时间:
2013-09-14 19:10
👁️ 浏览:
0
🏷️ 标签:
10
温度
温度调节器
电路图
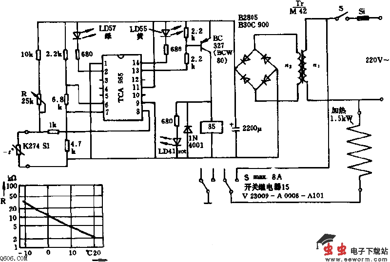
该电路适于调节室内温度或容器温度。利用带金属外壳的热敏电阻K274S1作传感器,它可用于空气或液体中,放大电路由窗口鉴别器TCA965和后接的PNP晶体管承担。通过适当设计输入分压器,可以观察到传感器切断点,切断时黄色发光二极管亮,此时继电器释放。
在温度太低时,继电器吸合(红色发光二极管亮),利用继电器可加热2X1.5kW的设备,给定温度由电位器R调整。
主要技术数据:工作电压:~220V;直流电源电压:12V;继电器最大电流:200mA;继电器吸合时温度:-10~+25摄氏度;滞环宽度:最大15mV(相当于1摄氏度);继电器接通设备功率:2X1.5kW。
觉得这篇文章有帮助吗?
👍 来顶一下 (
93
)
🔐 用户登录
×
加载中...
加载登录表单中...
🎁
免费注册送10积分
×
加载中...
加载注册表单中...
🔑 找回密码
×
加载中...
加载表单中...
🔐
需要登录
×
🔒
登录后即可使用!
🎁
新用户注册立即送10积分
积分可用于下载资源,免费获取优质技术资料
🚪
退出登录
×
👋
确认要退出登录吗?
退出后需要重新登录才能下载资源