车载逆变器指标:
输入电压:DC 10V~14.5V;输出电压:AC 200V~220V±10%;输出频率:50Hz±5%;输出功率:70W~150W;转换效率:大于85%;逆变工作频率:30kHz~50kHz。
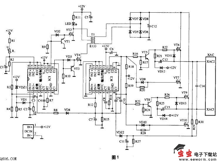
目前市场上销售量最大、最常见的车载逆变器的输出功率为70W-150W,逆变器电路中主要采用TL494或KA7500芯片为主的脉宽调制电路。一款最常见的车载逆变器电路原理图见图1。

车载逆变器电路工作原理
车载逆变器的整个电路大体上可分为两大部分,每部分各采用一只TL494或KA7500芯片组成控制电路,其中第一部分电路的作用是将汽车电瓶等提供的12V直流电,通过高频PWM (脉宽调制)开关电源技术转换成30kHz-50kHz、220V左右的交流电;第二部分电路的作用则是利用桥式整流、滤波、脉宽调制及开关功率输出等技术,将30kHz~50kHz、220V左右的交流电转换成50Hz、220V的交流电。
图1电路中,由芯片IC1及其外围电路、三极管VT1、VT3、MOS功率管VT2、VT4以及变压器T1组成12V直流变换为220V/50kHz交流的逆变电路。由芯片IC2及其外围电路、三极管VT5、VT8、MOS功率管VT6、VT7、VT9、VT10以及220V/50kHz整流、滤波电路VD5-VD8、C12等共同组成220V/50kHz高频交流电变换为220V/50Hz工频交流电的转换电路,最后通过XAC插座输出220V/50Hz交流电供各种便携式电器使用。
图1中IC1、IC2采用了TL494CN(或KA7500C)芯片,构成车载逆变器的核心控制电路。TL494CN是专用的双端式开关电源控制芯片,其尾缀字母CN表示芯片的封装外形为双列直插式塑封结构,工作温度范围为0℃-70℃,极限工作电源电压为7V~40V,最高工作频率为300kHz。
TL494芯片内置有5V基准源,稳压精度为5 V±5% ,负载能力为10mA,并通过其14脚进行输出供外部电路使用。TL494(点击查看:TL494中文资料)芯片还内置2只NPN功率输出管,可提供500mA的驱动能力。TL494芯片的内部电路如图2所示。
图1电路中IC1的15脚外围电路的R1、C1组成上电软启动电路。上电时电容C1两端的电压由0V逐步升高,只有当C1两端电压达到5V以上时,才允许IC1内部的脉宽调制电路开始工作。当电源断电后,C1通过电阻R2放电,保证下次上电时的软启动电路正常工作。
IC1的15脚外围电路的R1、Rt、R2组成过热保护电路,Rt为正温度系数热敏电阻,常温阻值可在150 Ω~300Ω范围内任选,适当选大些可提高过热保护电路启动的灵敏度。
热敏电阻Rt安装时要紧贴于MOS功率开关管VT2或VT4的金属散热片上,这样才能保证电路的过热保护功能有效。
IC1的15脚的对地电压值U是一个比较重要的参数,图1电路中U≈Vcc×R2÷ (R1+Rt+R2)V,常温下的计算值为U≈6.2V。结合图1、图2可知,正常工作情况下要求IC1的15脚电压应略高于16脚电压(与芯片14脚相连为5V),其常温下6.2V的电压值大小正好满足要求,并略留有一定的余量。
当电路工作异常,MOS功率管VT2或VT4的温升大幅提高,热敏电阻Rt的阻值超过约4kΩ时,IC1内部比较器1的输出将由低电平翻转为高电平,IC1的3脚也随即翻转为高电平状态,致使芯片内部的PWM 比较器、“或”门以及“或非”门的输出均发生翻转,输出级三极管VT1和三极管VT2均转为截止状态。当IC1内的两只功率输出管截止时,图1电路中的VT1、VT3将因基极为低电平而饱和导通,VT1、VT3导通后,功率管VT2和VT4将因栅极无正偏压而处于截止状态,逆变电源电路停止工作。
IC1的1脚外围电路的VDZ1、R5、VD1、C2、R6构成12V输入电源过压保护电路,稳压管VDZ1的稳压值决定了保护电路的启动门限电压值,VD1、C2、R6还组成保护状态维持电路,只要发生瞬间的输入电源过压现象,保护电路就会启动并维持一段时间,以确保后级功率输出管的安全。考虑到汽车行驶过程中电瓶电压的正常变化幅度大小,通常将稳压管VDZ1的稳压值选为15V或16V较为合适。
IC1的3脚外围电路的C3、R5是构成上电软启动时间维持以及电路保护状态维持的关键性电路,实际上不管是电路软启动的控制还是保护电路的启动控制,其最终结果均反映在IC1的3脚电平状态上。电路上电或保护电路启动时,IC1的3脚为高电平。当IC1的3脚为高电平时,将对电容C3充电。这导致保护电路启动的诱因消失后,C3通过R5放电,因放电所需时间较长,使得电路的保护状态仍得以维持一段时间。[!--empirenews.page--]
当IC1的3脚为高电平时,还将沿R8、VD4对电容C7进行充电,同时将电容C7两端的电压提供给IC2的4脚,使IC2的4脚保持为高电平状态。从图2的芯片内部电路可知,当4脚为高电平时,将抬高芯片内死区时间比较器同相输入端的电位,使该比较器输出保持为恒定的高电平,经“或”门、“或非”门后使内置的三极管VT1和三极管VT2均截止。图1电路中的VT5和VT8处于饱和导通状态,其后级的MOS管VT6和VT9将因栅极无正偏压而都处于截止状态,逆变电源电路停止工作。
IC1的5脚外接电容C4(472)和6脚外接电阻R7(4k3)为脉宽调制器的定时元件,所决定的脉宽调制频率为 fosc=1.1÷ (0.0047×4.3)kHz≈50kHz。即电路中的三极管VT1、VT2、VT3、VT4、变压器T1的工作频率均为50kHz左右,因此T1应选用高频铁氧体磁芯变压器,变压器T1的作用是将12V脉冲升压为220V的脉冲,其初级匝数为20×2,次级匝数为380。
IC2的5脚外接电容C8(104)和6脚外接电阻R14(220k)为脉宽调制器的定时元件,所决定的脉宽调制频率为 fosc=1.1÷ (C8×R14)=1.1÷(0.1×220)kHz≈50Hz。
R29、R30、R27、C11、VDZ2组成XAC插座220V输出端的过压保护电路,当输出电压过高时将导致稳压管VDZ2击穿,使IC2的4脚对地电压上升,芯片IC2内的保护电路动作,切断输出。
车载逆变器电路中的MOS管VT2、VT4有一定的功耗,必须加装散热片,其他器件均不需要安装散热片。当车载逆变器产品持续应用于功率较大的场合时,需在其内部加装12V小风扇以帮助散热。
2.电路中的元器件参数
电路中各元器件的参数列于附表。