⭐ 欢迎来到虫虫下载站!
|
📦 资源下载
📁 资源专辑
ℹ️ 关于我们
⭐ 虫虫下载站
🔐
登录
📝
注册
虫虫下载站
专业电子工程师资源平台
📤 上传资源
🏠 首页
📦 资源下载
📁 资源专辑
🔧 热门软件
⭐ 精品资源
🎓 基础知识
📐 电路图
📚 电子书
🔢 在线计算器
🔍 代码搜索
🏠 首页
›
电路图
›
基础电路
›
测量动力电池组(DS2438)电路图
测量动力电池组(DS2438)电路图
📅 发布时间:
2013-09-14 15:10
👁️ 浏览:
1
🏷️ 标签:
2438
DS
测量
动力电池组
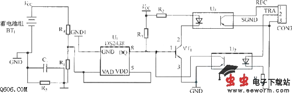
动力电池组检测芯片DS2438,具有丰富的功能,可以方便地实现对电动车动力电池组运行状态的监测. DS2438可以应用于各种动力电池组的监测。电动车所用动力电源是由多节动力电池串、并联构成的动力电池组。每一节动力电池性能的好坏直接影响整个动力电池组的特性,因而在实际应用中,应对每节动力电池进行在线实时检测。那么每节动力电池都应配置一片 DS2438,且它们的数据端可挂接到一条总线上。DS2438的供电电源可以来源于被测动力电池组本身。DS2438的信号端DQ的电位是针对本片DS2438的地而言的,由于各片DS2438的参考地电位的不一致,势必造成对同一参考点各DS2438的信号端DQ的电位不同,因而无法挂接到同一条总线上。
所以,在测量动力电池组时是以DS2438为核心构成一个监测模块,通过增加隔离措施,将数据线由单线制改为收、发两线制,并使所有模块的数据线分别挂接在REC、TRA两根线上,如图所示。
觉得这篇文章有帮助吗?
👍 来顶一下 (
86
)
🔐 用户登录
×
加载中...
加载登录表单中...
🎁
免费注册送10积分
×
加载中...
加载注册表单中...
🔑 找回密码
×
加载中...
加载表单中...
🔐
需要登录
×
🔒
登录后即可使用!
🎁
新用户注册立即送10积分
积分可用于下载资源,免费获取优质技术资料
🚪
退出登录
×
👋
确认要退出登录吗?
退出后需要重新登录才能下载资源