⭐ 欢迎来到虫虫下载站!
|
📦 资源下载
📁 资源专辑
ℹ️ 关于我们
⭐ 虫虫下载站
🔐
登录
📝
注册
虫虫下载站
专业电子工程师资源平台
📤 上传资源
🏠 首页
📦 资源下载
📁 资源专辑
🔧 热门软件
⭐ 精品资源
🎓 基础知识
📐 电路图
📚 电子书
🔢 在线计算器
🔍 代码搜索
🏠 首页
›
电路图
›
基础电路
›
给棉机控制用的光电控制电路图
给棉机控制用的光电控制电路图
📅 发布时间:
2013-09-14 12:10
👁️ 浏览:
3
🏷️ 标签:
控制
光电控制
电路图
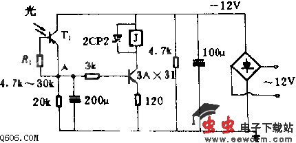
如图所示。当光敏三极管T1受光照时,呈低阻值,此时A点电位下降,3AX31导通,继电器吸动,控制给棉机。
200uF电容器和3k欧电阻构成充电回路,不使A'点电位在无光照时迅速上升,起到延时作用,能避免继电器动作过于频繁。120欧电阻是电流负反馈电阻,稳定3AX31的工作点。2CP2用于保护3AX31.
觉得这篇文章有帮助吗?
👍 来顶一下 (
12
)
🔐 用户登录
×
加载中...
加载登录表单中...
🎁
免费注册送10积分
×
加载中...
加载注册表单中...
🔑 找回密码
×
加载中...
加载表单中...
🔐
需要登录
×
🔒
登录后即可使用!
🎁
新用户注册立即送10积分
积分可用于下载资源,免费获取优质技术资料
🚪
退出登录
×
👋
确认要退出登录吗?
退出后需要重新登录才能下载资源