⭐ 欢迎来到虫虫下载站!
|
📦 资源下载
📁 资源专辑
ℹ️ 关于我们
⭐ 虫虫下载站
🔐
登录
📝
注册
虫虫下载站
专业电子工程师资源平台
📤 上传资源
🏠 首页
📦 资源下载
📁 资源专辑
🔧 热门软件
⭐ 精品资源
🎓 基础知识
📐 电路图
📚 电子书
🔢 在线计算器
🔍 代码搜索
🏠 首页
›
电路图
›
基础电路
›
CCD模拟输出信号处理电路图
CCD模拟输出信号处理电路图
📅 发布时间:
2013-09-14 10:30
👁️ 浏览:
14
🏷️ 标签:
CCD
模拟输出
信号处理
电路图
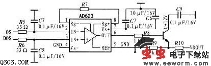
AD623集成了3路运放.可单电源或双电源工作,具有较高的CMRR和极低的电压漂移,除了一个控制可编程增益的外接电阻外,所有元件都集成在内部,提高了电路温度稳定度和可靠性。应用AD623的CCD模拟信号处理电路如图。将视频信号及其补偿输出分别送至AD623的反相和同相输入端.在AD623的输出端接一级射极跟随器以增强信号的驱动能力。选用该器件可消除采用普通运放和外围电阻所引起的输出信号的温度漂移。
觉得这篇文章有帮助吗?
👍 来顶一下 (
31
)
🔐 用户登录
×
加载中...
加载登录表单中...
🎁
免费注册送10积分
×
加载中...
加载注册表单中...
🔑 找回密码
×
加载中...
加载表单中...
🔐
需要登录
×
🔒
登录后即可使用!
🎁
新用户注册立即送10积分
积分可用于下载资源,免费获取优质技术资料
🚪
退出登录
×
👋
确认要退出登录吗?
退出后需要重新登录才能下载资源