⭐ 欢迎来到虫虫下载站!
|
📦 资源下载
📁 资源专辑
ℹ️ 关于我们
⭐ 虫虫下载站
🔐
登录
📝
注册
虫虫下载站
专业电子工程师资源平台
📤 上传资源
🏠 首页
📦 资源下载
📁 资源专辑
🔧 热门软件
⭐ 精品资源
🎓 基础知识
📐 电路图
📚 电子书
🔢 在线计算器
🔍 代码搜索
🏠 首页
›
电路图
›
基础电路
›
电源频率噪声双T滤波电路
电源频率噪声双T滤波电路
📅 发布时间:
2013-09-14 06:00
👁️ 浏览:
4
🏷️ 标签:
电源
滤波电路
频率
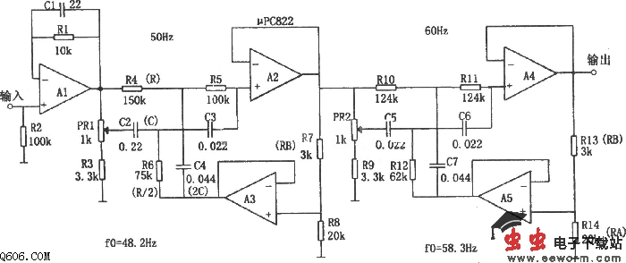
下图所示是一电源频率噪声滤波电路。该电路是一种双T滤波器,可用来在放大(如传感器等)微弱信号时,对混入的50Hz(或60Hz)电源频率的噪声进行滤出。若仅采用RC元件组成此类滤波器,其Q值一般较低,并具有宽带特性的衰减特性。采用运放并加正反馈就可提高Q值。设此时的Q值为Q',则Q'=Q/(1一K),式中,K=RA/(RA+RB)。改变系数K就可使Q值增大。电路的谐振频率为fo=1/2πRC,正反馈元件为R/2和2C。考虑到使用电容其特性的分散性,一般谐振频率要设低一些,然后用电位器PR1和PR2把频率调整到50Hz(或60Hz)。调整时,输入50Hz(或60Hz)正弦电压,调整PR使其通过滤波器的输出电压最小。采用这种滤波器时,若输入的电源噪声不是正弦波,就会有高频分量通过滤波器。交流电源中高次谐波一般是3、5、7等奇次谐波,可通过接入低通滤波器滤出这些谐波。
觉得这篇文章有帮助吗?
👍 来顶一下 (
42
)
🔐 用户登录
×
加载中...
加载登录表单中...
🎁
免费注册送10积分
×
加载中...
加载注册表单中...
🔑 找回密码
×
加载中...
加载表单中...
🔐
需要登录
×
🔒
登录后即可使用!
🎁
新用户注册立即送10积分
积分可用于下载资源,免费获取优质技术资料
🚪
退出登录
×
👋
确认要退出登录吗?
退出后需要重新登录才能下载资源