⭐ 欢迎来到虫虫下载站!
|
📦 资源下载
📁 资源专辑
ℹ️ 关于我们
⭐ 虫虫下载站
🔐
登录
📝
注册
虫虫下载站
专业电子工程师资源平台
📤 上传资源
🏠 首页
📦 资源下载
📁 资源专辑
🔧 热门软件
⭐ 精品资源
🎓 基础知识
📐 电路图
📚 电子书
🔢 在线计算器
🔍 代码搜索
🏠 首页
›
电路图
›
基础电路
›
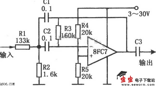
单电源运放8FC7组成的带通滤波器电路
单电源运放8FC7组成的带通滤波器电路
📅 发布时间:
2013-09-14 05:50
👁️ 浏览:
1
🏷️ 标签:
8FC7
单电源
运放
带通滤波器
如图所示为单电源低电压带通滤波电路。该电路采用单电源运算放大器8FC7构成二阶带通滤波器,电源电压范围可从3V到30V。在决定各元件数值时,首先确定带通滤波器的中心频率f0,再按下表选用合适的电容C(C=C1=C2)。然后选定Q值。Q值是代表选频特性的一个参量,Q值高,通带就窄。当Q=10时,可得每倍频程-40dB的频率响应特性。但Q值太大,电路稳定性差。一般Q值选择小于10。闭环增益K,应保证在不失真前提下得到尽可能大的输出幅度。一般KF小于l。最后由以下三式计算出R1、R2、R3。
觉得这篇文章有帮助吗?
👍 来顶一下 (
44
)
🔐 用户登录
×
加载中...
加载登录表单中...
🎁
免费注册送10积分
×
加载中...
加载注册表单中...
🔑 找回密码
×
加载中...
加载表单中...
🔐
需要登录
×
🔒
登录后即可使用!
🎁
新用户注册立即送10积分
积分可用于下载资源,免费获取优质技术资料
🚪
退出登录
×
👋
确认要退出登录吗?
退出后需要重新登录才能下载资源