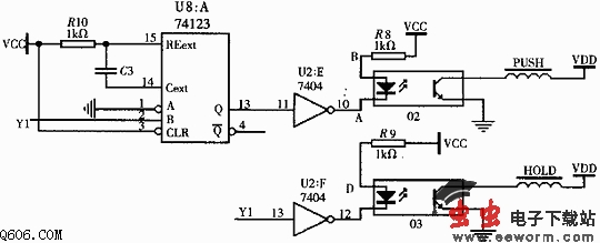
如图为开关电磁铁的驱动电路,其中器件U8是74123芯片,器件02、03是固态继电器,线圈PUSH是开关电磁铁的吸入线圈,HOLD则是其维持线圈,电源VDD为24V。当然转换机构转换到双燃料工作状态时,从74123的B脚输入的Y1从低电平向高电平跳转,迷种变化会让74123的输出端Q输出一个瞬时的高电平脉冲电流,维持时间为ΔT。经反相器7404后,A点的电势UA将会出现同样脉宽的低电平,固态继电器02的输入端也有ΔT时间的电流通过,这时固态继电器02的输出端出现ΔT时间的导通。在这段时间内,很强的吸入电流通过开关电磁铁的吸入线圈,产生足够的电磁力吸入电磁铁的铁芯。脉宽ΔT的选择应该参考开关电磁铁的性能参数设定,既要满足吸入铁芯的要求,又不能太长导致线圈烧毁。
ΔT是通过选择电阻R10和电容C3的值来确定的。本处ΔT取为1秒,R10=1000Ω,C3=1000μF。
从产生机理上讲,开关电磁铁的维持电流与高电压天然气电磁阀的工作电流是同样的机理:当Y1=1时,存在维持电流,铁芯维持在吸入状态;当Y1=0时,不存在维持电流,铁芯在回位弹簧的作用下恢复原来的伸出位置。

觉得这篇文章有帮助吗?