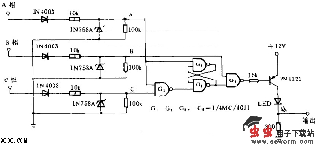
驱动泵、压缩机、传动带等设备的电动机倒转,就会使设备遭受损伤。本电路可以查出电动机的相序是否有错,还可以保护电动机不致因缺相而引起快速升温和热损坏。当相序正确时,发光二极管亮。当缺相或相序不正确时,输出变低,发光二极管不亮。二极管和齐纳管把各个相的正弦波变换成矩形逻辑电平脉冲。当相序正确时,G4输出一串矩形脉冲,脉宽约2.5ns。当相序不正确时,输出为零。输出脉冲前沿与B相正的过零点同步,因而输出脉冲可用来触发接在B相二端的可控硅和驱动继电器线圈。这样可控硅仅在相序正确时才使继电器通电。

觉得这篇文章有帮助吗?