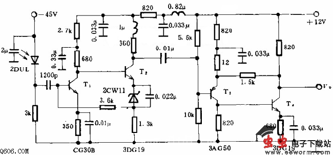
激光测距机接收电路图

📅 发布时间:2013-09-13 14:50 👁️ 浏览:1 🏷️ 标签: 激光测距机 接收 电路图

    本电路放大倍数约为12000倍,带宽0.5~14MHz,输入阻抗700Ω,输出阻抗35Ω(在5MHz处测量),输出噪声电平0.6~0.8V。

    图中T1、T2为直接耦合放大器,它们接成并联电流负反馈。稳压二极管2CWll提高了T2的发射极电位,保证T1、T2之间的电位配置关系。

    T3、T4为直接耦合反馈对属于电压串联负反馈,降低输出阻抗,借以提高对低负载阻抗的传输系数。

觉得这篇文章有帮助吗?