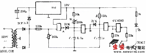
如图所示,本电路能在10ms时间内,迅速检测出交流电源是否出了故障。
电源变压器次级输出经全波整流、滤波以及三端稳压器7812产生12V电压作工作电源。整流后的脉动波形同时由“与非门”整形输出、电位器调节灵敏度,即允许跌落的电压值。正常情况时,A点的f=100Hz。由于二极管的存在,C1放电时间小于充电时间,所以Vc始终达不到阈值,使B点总是“1”态。当K右拔时,发光二极管有相应的指示。
当电源下跌至设定值时,A为“1”态的时间至少增加10ms,期间Vc1上升,B点处于“0”态,发光二极管又作相应的指示。RC2用以延长指示时间。调度时,可直接将100Hz方波加到第一级反相器输入端。

觉得这篇文章有帮助吗?