光耦合隔离电路图

📅 发布时间:2013-09-13 07:50 👁️ 浏览:5 🏷️ 标签: 光耦 隔离 电路图

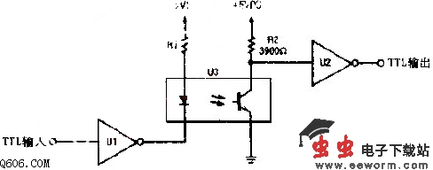
    如图所示是光耦合电路图,这是一个TTL到TIL的隔离电路,驱动电路是一个集电极开路的TTL反相器,当输入高电平时,反相器输出低电平,这个U1的输出使发光二极管阴极接地将它导通。

觉得这篇文章有帮助吗?