光照双控自动门插座电路图

📅 发布时间:2013-09-13 06:30 👁️ 浏览:8 🏷️ 标签: 光照 自动门 插座 电路图

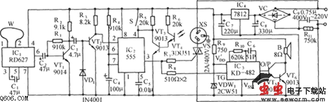
    如图所示是多普勒效应和光照双控自动门插座电路(RD627) 。由多普勒效应传感头、光控开关、单稳态触发器、可控硅控制电路、乐曲发声电路和交流降压整流电路等组成。当车辆或行人走近大门口时,保安门会自动打开,同时还会播出一首悠扬的乐曲。

觉得这篇文章有帮助吗?