⭐ 欢迎来到虫虫下载站!
|
📦 资源下载
📁 资源专辑
ℹ️ 关于我们
⭐ 虫虫下载站
🔐
登录
📝
注册
虫虫下载站
专业电子工程师资源平台
📤 上传资源
🏠 首页
📦 资源下载
📁 资源专辑
🔧 热门软件
⭐ 精品资源
🎓 基础知识
📐 电路图
📚 电子书
🔢 在线计算器
🔍 代码搜索
🏠 首页
›
电路图
›
基础电路
›
充电器电池过压接反告警电路图
充电器电池过压接反告警电路图
📅 发布时间:
2013-09-13 06:40
👁️ 浏览:
2
🏷️ 标签:
充电器
电池
过压
电路图
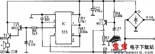
如图所示,555和外围元件构成多谐振荡器,振荡器的工作与否由555的4脚控制,当4脚高电平时,振荡器工作。T3、Z2、R3~R5构成过压检测电路。若Z2击穿,则T3饱和导通,555的4脚得电,振荡器工作驱动扬声器报警,说明此时充电器接线柱上的电压超过设定值。D1为电池反接检测,当电池极性接反时,电池正电压通过D1直接加到555的4脚,电路报警。
觉得这篇文章有帮助吗?
👍 来顶一下 (
23
)
🔐 用户登录
×
加载中...
加载登录表单中...
🎁
免费注册送10积分
×
加载中...
加载注册表单中...
🔑 找回密码
×
加载中...
加载表单中...
🔐
需要登录
×
🔒
登录后即可使用!
🎁
新用户注册立即送10积分
积分可用于下载资源,免费获取优质技术资料
🚪
退出登录
×
👋
确认要退出登录吗?
退出后需要重新登录才能下载资源