关电视机用干簧管消亮点电路图

📅 发布时间:2013-09-13 05:00 👁️ 浏览:0 🏷️ 标签: 电视机 干簧管 电路图

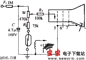
    如图是一种关电视机用干簧管消亮点电路。在亮度电位器W接地端串联一只干簧管,电视机正常收看时,干簧管触点闭合,电容器C充电电压约为160V。关机时,干簧管触点断开,由于C的容量较大,而且它的主要放电支路已切断,从而使显像管阴极电压将保留一段时间,以截止电子束,达到消亮点的目的。干簧管外面应加绕一个线圈,线圈用0.1MM漆包在内架上密绕5200匝,线圈一端接地,另端接电源+12V。

觉得这篇文章有帮助吗?