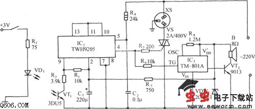
TWH9205组成的光电耦合型过零控制插座电路图

📅 发布时间:2013-09-13 04:20 👁️ 浏览:11 🏷️ 标签: 9205 TWH 光电耦合

    如图所示电路,包括过零驱动开关、光电耦合型输入电路、可控硅控制电路和音响发声电路等。图中的光电三极管开关电路接在TWH9205的差动开关放大器的反相输入端(9脚),当该端的电压低于正相输入端的钳位电压时,即当光电管3DU5受光照射时,TWH9205在交流过零时才输出高电平,驱动可控硅VS并导通,插座XS得电,与XS连结的电气设备投入运行。VS可根据电气负载的功率大小,选用1~500A的双向可控硅。

觉得这篇文章有帮助吗?