并联式全自动脉冲充电器电路图

📅 发布时间:2013-09-13 04:00 👁️ 浏览:7 🏷️ 标签: 并联式 全自动 脉冲充电器 电路图
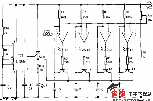
  NE555构成多谐振荡器,其输出端控制可控硅的通断;IC2为电压比较器。当不接入电池时,比较器“+”端通过上拉电阻高于“-”端电平,因此比较器输出高电平,发光管不亮。当接入电压不足的电池时,比较器“+”端电平低于“-”端,输出低电平,晶体管在IC1的3脚为高电平时导通,对电池充电。在IC1的3脚为低电平时截止,电池以小电流通过集电极放电,发光管也随之周期性发光(因放电电流较小,不足以使发光管在放电期间发光),当电池充满时,比较器“+”端电位高于“-”端,输出高电平,三极管截止,发光管长时间不亮,示意充电完成。
觉得这篇文章有帮助吗?