如图所示的过零调功电路虽然简单,却能可靠的工作。它适合于各类电热器具的调功,串激式电机的调功等。
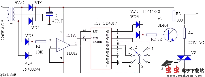
该装置的电路工作原理如图所示,它是由电源电路、交流电过零检测电路、十进制计数器/脉冲分配器及双向可控硅等组成。220V市电经电源变压器T降压后,由二极管VD1、VD2构成的全波整流电路整流,由C滤波后供给整机电路工作。经二极管VD3、VD4全波整流后,得到的脉动直流电压经R1后加到运算放大器IC1的反相输入端。当脉动电压过零(也就是交流电压过零)时,IC1便出现过零脉冲。IC2用于对过零脉冲进行计数和脉冲分配,从而产生可控硅触发信号。S是功率调节开关,通过S改变IC2计数方式来调节交流负载的功率。例如,当S位于“3”档时,IC2进行四进制计数,每输入4个过零脉冲仅产生2个触发脉冲去触发双向可控硅导通,因而该档为半功率档。图中给出了4档,由于IC2具有10个输出端,将这些输出端适当的组合,就可以获得不同的功率档。VT接成一个大电流开关,可对不同通流量的可控硅VS进行大电流触发,从而使之可靠地工作。
其中IC1采用通用运算放大器集成电路(如LM324N、TL082等)。IC2采用CD4O17。VT采用3DK4或其它中功率开关三极管均可,β≥1OO。VS应根据负载的电流来选择,其耐压不低于600V,感性负载其耐压值还可提高。T采用2~3W的电源变压器,次级电压力9V。S为调功选择开关,可选用瓷质波段开关。其它元器件无特殊要求,可按图示数值选用。

觉得这篇文章有帮助吗?