⭐ 欢迎来到虫虫下载站!
|
📦 资源下载
📁 资源专辑
ℹ️ 关于我们
⭐ 虫虫下载站
🔐
登录
📝
注册
虫虫下载站
专业电子工程师资源平台
📤 上传资源
🏠 首页
📦 资源下载
📁 资源专辑
🔧 热门软件
⭐ 精品资源
🎓 基础知识
📐 电路图
📚 电子书
🔢 在线计算器
🔍 代码搜索
🏠 首页
›
电路图
›
基础电路
›
TDA230-25w桥式低频功率放大器电路图
TDA230-25w桥式低频功率放大器电路图
📅 发布时间:
2013-09-13 01:20
👁️ 浏览:
0
🏷️ 标签:
TDA
230
25
桥式
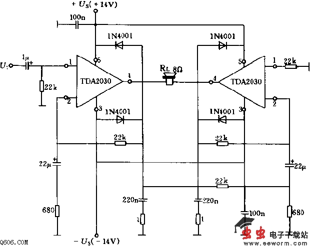
该电路采用两片TDA2030,连接成桥式电路,两边电路结构和参数完全相同。右边的集成电路由左边集成电路通过22k欧负反馈电阻控制,反之亦然。二极管1N4001用于防止扬声器电感负载产生过电压损坏器件。电路的放大系数可通过改变输出端(脚4)至反相输入端(脚2)间负反馈电压比来调整。
觉得这篇文章有帮助吗?
👍 来顶一下 (
60
)
🔐 用户登录
×
加载中...
加载登录表单中...
🎁
免费注册送10积分
×
加载中...
加载注册表单中...
🔑 找回密码
×
加载中...
加载表单中...
🔐
需要登录
×
🔒
登录后即可使用!
🎁
新用户注册立即送10积分
积分可用于下载资源,免费获取优质技术资料
🚪
退出登录
×
👋
确认要退出登录吗?
退出后需要重新登录才能下载资源