如图所示。接通电源,电源指示灯亮,显示屏上时间显示处仅显示L:L字符,所有按键无反应,电视屏幕上无任何图像。
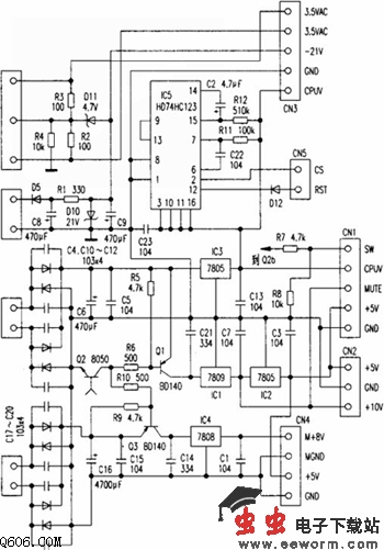
经查,电源板上CN2的受控+5V、+10V电压无输出。为方便检修,根据电路板绘出电源部分原理图。
从图中可以看出,电源接通后,IC3输出非受控+5V电压,供CPU CXP84124及HD74HC123工作。74HC123为单稳态触发器,在CS端触发脉冲的作用下,输出复位脉冲,使CPU复位。CPU复位后输出SW控制信号,这时Q1、Q2、Q3才导通,输出+5V、+8V、+10V电压,机器转入自检状态。
由于本机受控的几组电压无输出,检查CN1 SW端无电压,说明CPU并没有发出开机指令。在按下电源开关瞬间,测CN5 RST端电压无变化,但CS端有触发脉冲,说明复位信号电路有故障。查74HC123外围元件未见异常,怀疑集成块本身有问题,更换后试机,故障排除。

觉得这篇文章有帮助吗?