⭐ 欢迎来到虫虫下载站!
|
📦 资源下载
📁 资源专辑
ℹ️ 关于我们
⭐ 虫虫下载站
🔐
登录
📝
注册
虫虫下载站
专业电子工程师资源平台
📤 上传资源
🏠 首页
📦 资源下载
📁 资源专辑
🔧 热门软件
⭐ 精品资源
🎓 基础知识
📐 电路图
📚 电子书
🔢 在线计算器
🔍 代码搜索
🏠 首页
›
电路图
›
基础电路
›
SH84音乐彩灯控制电路图
SH84音乐彩灯控制电路图
📅 发布时间:
2013-09-12 21:20
👁️ 浏览:
1
🏷️ 标签:
SH
84
音乐彩灯
控制电路图
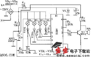
如图所示是SH84八曲四路音乐彩灯控制电路,SH84内存八首乐曲,可直接驱动压电蜂鸣器发音,并能同时驱动四路彩灯使它们逐个点亮。并依次熄灭,彩灯跟随音乐节拍有节奏地闪亮。SH84是制件圣诞树、装饰灯柜的理想芯片,其应用电路如图。
SH84是用CMOS工艺制造,采用片状黑膏软封装形式。芯片的工作电压范围为3~5.5V。
以SH84为核心部件的节日彩灯,是通过晶闸管VTH1~VTH4来驱动彩灯EL1~EL4的。工作电压是220V的交流电经VD1~VD4作桥式整流、R2降压、VS稳压与C2滤波后获得的。SH84的2脚输出的乐曲信号经晶体管VT放大以驱动压电蜂鸣器HA发声。调节电位器RP可控制发声音量。
觉得这篇文章有帮助吗?
👍 来顶一下 (
61
)
🔐 用户登录
×
加载中...
加载登录表单中...
🎁
免费注册送10积分
×
加载中...
加载注册表单中...
🔑 找回密码
×
加载中...
加载表单中...
🔐
需要登录
×
🔒
登录后即可使用!
🎁
新用户注册立即送10积分
积分可用于下载资源,免费获取优质技术资料
🚪
退出登录
×
👋
确认要退出登录吗?
退出后需要重新登录才能下载资源