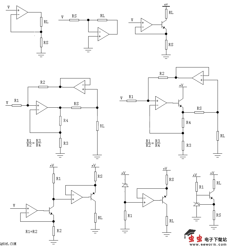
如图所示,几种电路都可以在负载电阻RL上获得恒流输出。第一种由于RL浮地,一般很少用。第二种RL是虚地,也不常使用。第三种虽然RL浮地,但是RL一端接正电源端,比较常用。第四种是正反馈平衡式,是由于负载RL接地而受到人们的喜爱。第五种和第四种原理相同,只是扩大了电流的输出能力,人们在使用中常常把电阻R2取的比负载RL大的多,而省略了跟随器运放。第五种是本人想的电路,也是对地负载,后边两种是恒流源电路。
对比几种V/I电路,凡是没有三极管只类的单向器件,都可以实现交流恒流,加了三极管之后就只能做单向直流恒流了。第四和第五是建立在正负反馈平衡的基础上的,如果由于电阻的误差而失去平衡,会影响恒流输出特性,也就是说,输出电流会随负载变化。而其他几种电阻的误差只会影响输出电流的值,而不会影响输出特性,如果输出电流大,或者嫌三极管的集电极电流和发射极电流不相等,可以把三极管换成MOSFET。

觉得这篇文章有帮助吗?