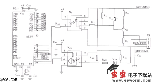
监控与整流模块的通信电路图

📅 发布时间:2013-09-12 20:30 👁️ 浏览:1 🏷️ 标签: 监控 整流模块 电路图 通信

    监控模块与整流模块的通信电路如图所示。光耦N9和N452在微处理器D211和整流模块之间提供了隔离,N9隔离发送缓冲器V15和V10,发送缓冲器V15和V10设计为可提供100个整流模块的通信的驱动能力,N452是一个高增益的光耦缓冲器,用于接收整流模块发送过来的信号。

觉得这篇文章有帮助吗?