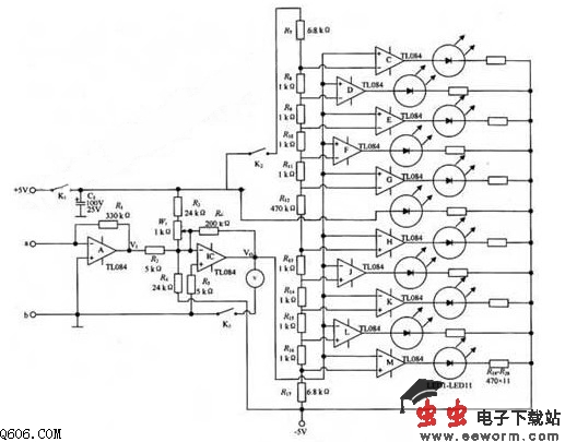
集成运放A与R1成短路电流放大器,B与R2~R6、W1构成一个反相加法器,,对运放A的输出电压V1起放大作用,其中R3,R4与W1构成电路,如果输入i=0时,运放B的输出电压VO≠0,则可移动多圈电位器W1的活动触头使VO=0,实际上,W1相当于指针式检流计调零旋钮的作用。运放B的电压放大倍数AV=-R6/R2=-40。R7~R17串联分压产生10个基准电压,各集成运放接成电压比较器,并与电阻、发光二极管组成电平指示电路。当有输入电流i,运放A的输出电压V1=-i?R1,该电压被由B与R2~R6、W1构成的放大电路放大后与电压比较器的参考电压相比较,通过发光二极管组成电平指示电路来同步反映端子a,b间流过电流的相对大小、方向及变化规律。运放C~G构成的5个电压比较器,其反相输入端分别接基准电压1.918 9 V,1.465 8 V,1.012 7 V,0.559 6 V,0.106 5 V,同相输入端都接放大器B的输出VO,用于正向电流(即从a端流人,b端流出)的比较显示。另5个电压比较器的同相输入端分别接基准电压,-0.106 5 V,-0.559 6 V,-1.012 7 V,-1.465 8 V,-1.918 9 V,反相输入端都接放大器的输出VO,用于负向电流(即从b端流入,a端流出)的比较显示。
当有电流i从a端流入,假如大小0.1 mA,则放大器B的输出电压为VO=0.000 1 A×330 Ω×40=1.32 V,高于电压比较器E,F,G的基准电压,他们输出高电平,对应发光管LED3~LED5,发光;当i=0.15 mA,则VO=0.00 015 A×330 Ω×40=1.98 V,高于电压比较器C,D,E,E,G的基准电压,这些比较器输出高电平,对应发光管LED1~LED3发光。发光管的数目与检测电流的大小成正比,输入电流由小到大变化时,发光管点亮的次序为LED5~LED4~LED3~LED1~LED1。当电流从b端流入,放大器B的输出电压VO为负,担任负向电流检测的比较器H,j,k,1,M依次输出高电平,使对应LED发光。电流越大,VO越低,发光管点亮的数目越多,点亮次序为LED7~LED8~LED9~LED10~0LED11。这样,通过弧形排列的十只LED(常亮的LED6除外)的发光数目和位置即可定性地反映检测电流的方向和大小。且发光管与电流的变化同步显示,非常形象、直观。