远程传感器发出的数据通过电源电网远程传输
温度范围:00.0-99.9℃
设备用途:
该电路是为测量摄氏温度,以转换频率发射传感器的输出电压成正比的测量温度部分。输出频率脉冲传递到220V电源。
接收器部分计数脉冲由电源来提供,并显示在三个7段LED显示。发射机接收器距离可达百米
警告!两种电路连接到交流电电源,一定要注意安全!
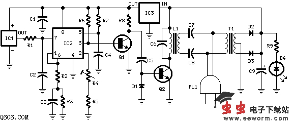
图1 发送器线路图
图2 接收器电路原理图
元器件清单
发射机部分:
R1,R3_______100K 1/4W电阻
R2___________47Ω 1/4W电阻
R4___________5K 1/2W金属陶瓷微调
R5___________12K 1/4W电阻
R6___________10K 1/4W电阻
R7___________6K8 1/4W电阻
R8,R9_______1K 1/4W电阻
C1___________220nF 63V涤纶电容器
C2___________10nF 63V涤纶电容器
C3___________1μF63V涤纶电容器
C4,C6_______1nF 63V聚酯膜电容器
C5___________2n2 63V涤纶电容器
C7,C8_______47nF 400V聚酯膜电容器
C9___________1000μF25V的电解电容
D1__________1N4148 75V 150mA 二极管
D2,D3______1N4002 100V 1A二极管
D4__________5mm。红色LED
IC1__________LM35线性温度传感器IC
IC2__________LM331电压频率转换器IC
IC3__________78L06 6V 100mA 三端电压调节器IC
Q1___________BC238 25V 100mA NPN晶体管
Q2___________BD139 80V 1.5A NPN三极管
L1___________初级(连接到Q2集电极):100圈
次级:10圈
线径:O.2mm 漆包线
T1___________220V 初级,次级12+12V的电源变压器3VA
PL1__________电源插头
接收器部分:
R1__________100K 1/4W电阻
R2____________1K 1/4W电阻
R3,R4,R6,R8___12K 1/4W电阻
R5___________47K 1/4W电阻
R15______470Ω 1/4W电阻
R16_________680Ω 1/4W电阻
C1,C2_________47nF 400V聚酯膜电容器
C3,C7_________1nF 63V聚酯膜电容器
C4_____________10nF 63V涤纶电容器
C5,C6,C10______220nF 63V聚酯膜电容器
C8_____________1000μF25V的电解电容
C9_____________100pF 63V陶瓷电容器
D1,D2,D5____1N4148 75V 150mA 二极管
D4,D4_______1N4002 100V 1A二极管
D6,D8_______共阴极7段LED显示器
IC1__________4093四2输入施密特与非门集成电路
IC2__________4518双BCD码计数器集成电路
IC3__________78L12 12V 100mA 三端电压调节器IC
IC4__________4017十进制计数/分频器解码输出10
IC5__________4553 3位十进制BCD码计数器集成电路
IC6__________4511七段码译码器/锁存器/驱动器IC
Q1___________BC239C 25V 100mA NPN晶体管
Q2,Q4________BC327 45VN 800mA PNP晶体管
L1___________初级(连接到C1和C2):10圈
次级:100圈
线径:O.2mm 漆包线
T1___________220V 初级,次级12+12V 的电源变压器3VA
PL1__________电源插头