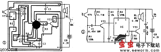
光控语音警示电原理图见图1。整个电路由光控电子开关和3秒语音集成电路两部分组成。图1中光敏三极管VT1和晶体三极管VT2,电阻R1、R2、R3和电容C1、C2等构成光控开关电路。语音集成电路IC及三极管VT3、电阻R4、R5等构成语音放大电路。图2是该电路的印刷电路板图。平常在光源照射下,VT1呈低阻状态,VT2饱和导通,IC的触发端③脚得不到正触发脉冲而不工作,扬声器无声。当VT1被物体遮挡时,便产生一负脉冲电压,并通过C1耦合到VT2的基极,导致VT2进入截止状态,IC获得一正触发脉冲而工作,输出音频信号通过VT3放大,推动扬声器发出声响。声响内容可根据不同场合选择不同的语音电路来产生,例如高压电网或配电房等场所,可选用“高压重地,禁止入内”、“有电危险,请勿靠近”等语音集成电路。
