鉴别物体运动方向电路图

📅 发布时间:2013-09-12 05:50 👁️ 浏览:0 🏷️ 标签: 方向 电路图
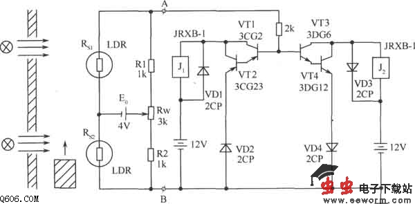
将两个阻值和性能差不多的光敏电阻安装在物体运动路径的同一侧,相互间隔适当距离。另一侧相对位置分别安装2个光源,使物体在光源和光敏电阻之间直线运动。采用如图所示电路可以判断物体运动方向。电路由电桥和极性判别两部分组成。Rs1、Rs2、R1、R2和Rw组成电桥,由电源E0供电,A、B端输出。测量前使Rs1和Rs2同时遮光或光照,调节Rw,使电桥平衡。UAB=0V。测量时,当物体由下向上运动时,Rs2首先被遮光,阻值增大,Rs1被光照,阻值较小,电桥失衡,UA>UB,UAB>0V,则VT1、VT2截止,VT3、VT4导通,继电器J1保持断开状态,J2吸合。当物体继续向上运动到Rl位置时,情况相反,J1吸合,J2打开。如果物体由上向下运动,则与上述情况相反,J1先吸合,J2后吸合。因此,根据J1和J2吸合的先后顺序可以判断物体的运动方向,并给出了相应的开关控制信号输出。
觉得这篇文章有帮助吗?