
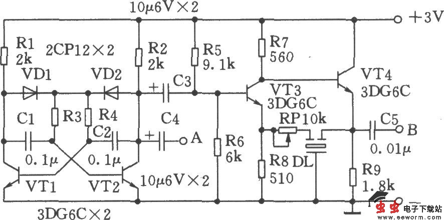
如图所示为用陶瓷滤波器3L465制作的中频信号发生器,线路简单、易于起振、产生的中频信号稳定,重复性好,而且还能输出音频信号。
工作原理:VTl、VT2及有关元件组成多谐振荡器,频率为400Hz左右,用以调制中频信号,音频信号还可以从A点输出。VT3、VT4组成中频信号发生器,DL起选频作用。调节RP可改变振荡强度。在B点引一几十厘米长的导线以输出调制的中频信号。多谐振荡器部分只要元件焊接正确,接通电源后即起振。中频信号发生器部分经检查线路无误后,可用一台中频校正的收音机,靠近B点引线,调整RP,使收音机能收到信号,调整即结束。使用时把被调整的收音机的波段开关置于中波,可变电容器旋至频率最低端,然后把B点引出线靠近中波磁棒天线线圈,再逐个反复调整中频变压器,使扬声器的声音或加到扬声器上的电压最大即可。本信号发生器耗电省,可装在一小盒内,使用、携带十分方便。